上海恒點傳動設備有限公司
加微信聯系 恒點減速機QQ2:51228482
[HTML] [XML]  産品展示産品展示-RSS  新聞中心新聞中心-RSS  技術支持技術支持-RSS
産品分類: 減速機蝸輪絲杆升降機轉向箱蝸輪蝸杆減速機齒輪減速機行星齒輪減速機擺線針輪減速機無級變速機大功率減速器
上海恒點傳動設備有限公司
資訊分類
和産品相關的技術文章
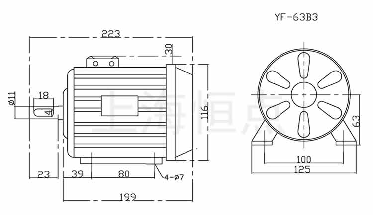
當前位置:網站首頁 > 技術支持 > Y2-63B3,YF-63B3,Y0.18KW-4P卧式電機(圓殼和方殼)外形尺寸圖及實物圖

Y2-63B3,YF-63B3,Y0.18KW-4P卧式電機(圓殼和方殼)外形尺寸圖及實物圖

Tags: SWL蝸輪絲杆升降機    發布時間: 2023-08-15
 普通三相異步電機,功率0.18KW,卧式安裝,Y263-B3,YF63-B3,Y0.18KW-4P卧式電機有圓殼和方殼的區别。(注 :卧式電機的機座号 ,對應的是中心高尺寸 ,比如63機座 ,那麽這款電機的中心高就是63mm )
 對於電機的外形尺寸來說,圓殼和方殼的安裝尺寸是一樣的。電機的輸出軸徑11mm,軸長23mm,底面安裝尺寸80*100,中心高63mm,全長223mm,附具體尺寸 :

Y263-B3 Y0.18KW-4P圓殼電(diàn)機(jī)尺寸圖
Y263-B3 Y0.18KW-4P圓殼電(diàn)機(jī)尺寸圖

YF63-B3 Y0.18KW-4P方殼電(diàn)機(jī)尺寸圖
YF63-B3 Y0.18KW-4P方殼電(diàn)機(jī)尺寸圖
卧式電機實物照片:
卧式電機實物照片
上一篇 上一篇: SWL100噸升降機 實物及對應的外形尺寸圖-恒點
下一篇 下一篇: ARA轉向箱實物 四色油漆(紅色,銀色,黑色,綠色)實拍圖-恒點
相關新聞文章 > 查看更多
304不鏽鋼爲什麽叫304? 2026-01-16
如何拆卸耕整機的齒輪箱零件 2025-12-08
合金元素Cr在40Cr、GCr15、CrWMn、1Cr13、1Cr18Ni9Ti、9CrSi2鋼中的作用 2025-11-17
獲得牢固釺焊接頭的關鍵是什麽 2025-10-23
什麽叫裝配,裝配的三要素是什麽,金屬結構的連接方法有哪幾種 2025-09-24
如何確定标準偏差的位數 2025-07-02
螺紋種類有多少 2025-04-04
什麽是球規值?什麽是球分規值? 2025-02-10
什麽是可分離軸承和不可分離軸承? 2024-12-31
什麽是軸承單元? 2024-12-18
什 麽 是 關 節 軸 承 2024-12-03
什麽是軸承的理論徑向遊隙、安裝遊隙 、工作遊隙 2024-11-18
返回頂部 關閉本頁】 【打印本頁
電 話:021-22815912  021-22816186  傳 真:021-32050712   郵箱:sales@021jsj.cn  減速機 絲杆升降機 轉向箱 蝸輪蝸杆減速機
Copyright©2009-2026上海恒點傳動設備有限公司 版權所有  地址:上海市金山區亭林鎮林寶路39号  郵編:200442  滬ICP備10206998号-2 
友情鏈接機械設備網 | 渦街流量計 | 輸送機 | 變頻控制櫃 | 破碎機 | 工業同城 | 手持終端 | 柴油發電機 | uv平闆打印機 | 風淋室 | QUV | 防火門 | 九愛圖紙 | 感應加熱設備 | 輸送帶廠家 | 噪聲治理 | 西門子plc | 拖鏈電纜 | AGV | 機械雜志 | 現代機械 | UWB高精度定位 |